产品介绍 
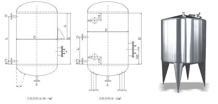
立式椭圆型封头容器基本参数
| 公称容积M3 | 计算容积M3 | 公称直径 D mm | 筒体高度 D mm | 安装尺寸 | 管口公称直径 | A mm | B mm | L mm | 进口a | 备用口b | 排气口c | 出口 d | 人/手孔 e | 液面计口 f1.2 | 安全阀口 h | 压力计口 k | 自控面计口 m | | 0.06 | 0.07 | 400 | 400 | 200 | 50 | 500 | 25 | 25 | 20 | 25 | - | 15 | - | 25 | - | | 0.1 | 0.1 | 400 | 600 | 300 | 50 | 500 | 25 | 40 | 20 | 25 | - | 15 | - | 25 | - | | 0.15 | 0.16 | 500 | 600 | 300 | 50 | 500 | 25 | 40 | 20 | 25 | - | 15 | - | 25 | - | | 0.2 | 0.2 | 500 | 800 | 400 | 100 | 600 | 40 | 50 | 25 | 40 | 150 | 15 | 25 | 25 | - | | 0.3 | 0.3 | 600 | 800 | 400 | 100 | 600 | 40 | 50 | 25 | 40 | 150 | 15 | 25 | 25 | - | | 0.5 | 0.49 | 700 | 1000 | 500 | 100 | 800 | 40 | 50 | 25 | 40 | 150 | 15 | 40 | 25 | - | | 0.8 | 0.76 | 800 | 1200 | 600 | 100 | 1000 | 50 | 65 | 25 | 50 | 150 | 15 | 40 | 25 | - | | 1 | 1.06 | 800 | 1800 | 900 | 50 | 1700 | 50 | 65 | 25 | 50 | 150 | 15 | 40 | 25 | - | | 1.5 | 1.56 | 1000 | 1600 | 800 | 100 | 1400 | 50 | 65 | 25 | 50 | 400 | 15 | 40 | 25 | - | | 2 | 2.09 | 1200 | 1400 | 700 | 100 | 1200 | 50 | 65 | 40 | 50 | 400 | 15 | 50 | 25 | - | | 2.5 | 2.55 | 1200 | 1800 | 900 | 50 | 1700 | 50 | 65 | 40 | 50 | 400 | 15 | 50 | 25 | - | | 3 | 3.0 | 1200 | 2200 | 1000 | 50 | 2100 | 50 | 65 | 40 | 50 | 400 | 15 | 50 | 25 | - | | 4 | 4.18 | 1400 | 2200 | 1000 | 50 | 2100 | 50 | 65 | 40 | 50 | 400 | 15 | 50 | 25 | - | | 5 | 5.21 | 1600 | 2000 | - | 100 | 1800 | 65 | 80 | 50 | 65 | 450 | 15 | 50 | 25 | - | | 6 | 6.42 | 1600 | 2600 | - | 50 | 2500 | 65 | 80 | 50 | 65 | 450 | 15 | 50 | 25 | - | | 8 | 8.27 | 1800 | 2600 | - | 50 | 2500 | 65 | 80 | 50 | 65 | 450 | 15 | 65 | 25 | - | | 10 | 10.4 | 2000 | 2600 | - | 50 | 2500 | 65 | 80 | 50 | 65 | 450 | 15 | 65 | 25 | - | | 12 | 12.3 | 2000 | 3200 | - | 100 | 1400 | 65 | 80 | 50 | 65 | 450 | 15 | 65 | 25 | 80 | | 16 | 16.7 | 2400 | 2800 | - | 100 | 2600 | 80 | 100 | 65 | 80 | 450 | 15 | 65 | 25 | - | | 20 | 20.9 | 2600 | 3000 | - | 100 | 1400 | 80 | 100 | 65 | 80 | 450 | 15 | 65 | 25 | 80 | | 25 | 25.2 | 2600 | 3800 | - | 100 | 1400 | 80 | 100 | 65 | 80 | 450 | 15 | 65 | 25 | 80 | | 32 | 32.6 | 2600 | 5200 | - | 100 | 1400 | 80 | 100 | 65 | 80 | 450 | 15 | 65 | 25 | 80 | | 40 | 40.7 | 2800 | 5600 | - | 100 | 1400 | 80 | 100 | 65 | 80 | 450 | 15 | 80 | 25 | 80 |
| |
相关产品
|